Piezo Electric Buzzer
PK-20A35PQ
(RoHS) DATE:2019.12.04
1﹒Electrical Characteristics VER .:0
Oscillation Frequency (KHz) | 3.5 ±0.3 |
Operating Voltage (Vdc) | 3 ~ 16 |
Rated Voltage (Vdc) | 12 |
Current Consumption (mA/max.) | 30 at Rated Voltage |
Sound Pressure Level (dB/min.) | 90 at 30cm at Rated Voltage |
Tone/Pulse Rate | Constant |
Operating Temperature (℃) | -20 ~ +100 |
Storage Temperature (℃) | -30 ~ +110 |
Condition by wave (℃) | 260±5℃ / within 5sec |
Condition by hand (℃) | 350±20℃ / within 5sec |
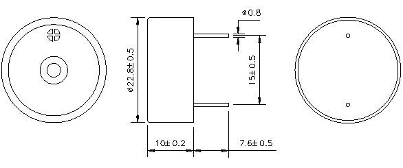
2﹒Dimensions and Material
2-1 Shape


2-2 Material
Housing | PBT (Color : Black) |
Lead Pin | Tin Plated Brass |
Weight (Gram) | 2.6 |
3. TESTING METHOD
Standard Measurement conditions
Temperature:25±2℃ Humidity:45-60%
.Acoustic Characteristics
The oscillation frequency, current consumption and sound pressure are measured by the measuring instruments shown below.

4. RELIABILIT
ITEMS | METHOD OF TEST AND MEASUREMENTS | PERFORMANCE |
Coldness withstanding | After 98 hours of being exposed to -30℃ environment, should be returned to normal environment for 2 hours, then re-proceed to test. | No abnormality shall exist |
Hotness withstanding | After 98 hours of being exposed to +100℃ environment, should be returned to normal environment for 2 hours, then re-proceed to test. | No abnormality shall exist |
Humidity withstanding | After 98 hours of being exposed to 40℃ 95%RH environment in actual operation, should be returned to normal environment for 2 hours, then re-proceed to test. | No abnormality shall exist |
Durability | Testing after 98 hours actual continuous operation.(at standard measurement conditions) | No abnormality shall exist |
Drop withstanding | A natural drop from 75cm high down to the ground. | No abnormality shall exist |
Vibration withstanding
| Vibration of 2,000 cycles per minute, 2mm amplitude, applied in X, Y and Z directions for 30 minutes each. | No abnormality shall exist |
5. PACKAGE METHOD
<1>250pcs per box , total 10 boxes per carton , total 2500pcs per carton;
Volume: L*W*H=520*335*290mm
<2>N﹒W﹒:6.5KGS; G﹒W﹒:8.5KGS
<3>RoHS Mark
